ばら積み運搬船安全強化策(既存船への適用)

カーゴハッチカバー移動防止装置、締付け装置の強化 (I.A.C.S. UR-S30)

NK船はNK独自のガイダンスを作成しているが、他船級はガイダンスは作成していない。

金物が少ない理由

既設のガイド金物及びメインヒンジ等を考慮して計算をしている。(既設金物をストッパとして計算)
NKガイダンス上記金物を考慮していない。
上記理由により、NKガイダンスに比べて取り付ける金物の数が少ない又は必要としない。

当社の受注範囲

  1. 強度計算書の作成
  2. 金物の取付図面及び金物製作図面の作成
  3. 船級協会の承認申請及び取得
  4. 金物の作成 (船主殿の手配でもよい)
  5. 金物の取付工事 (船主殿の手配でもよい)
    金物の取付工事は基本的に船員で施工できることを基準に図面を作成しています。

船主殿よりお借りする図面

  1. General Arrangement
  2. Midship Section
  3. Hatch Cover
  4. Hatch Coaming

    尚、施工時期及び適用船、ルール等は添付資料を参考にして下さい。

    ばら積み運搬船安全強化策(既存船適用)ページへ

 

NKガイダンスと当社が強度計算を行った場合の金物数の比較

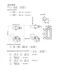
Folding Type Hatch Cover

過去の実績船より抜粋(クリックで拡大します)

Side Rolling Type Hatch Cover

過去の実績船より抜粋(クリックで拡大します)

 

 


カーゴハッチカバー移動防止装置、締付け装置の強化 (I.A.C.S. UR-S30)
(クリックで拡大します)


<<HOME <<BACK NEXT>>
 
SEA TECH Co.,Ltd. All Right Reserved